弱点工程技术第三节
防盗报警与出入口控制系统
第三节防盗报警与出入口控制系统
许多建筑物都安装了保安系统,它主要由防盗报警和出人口控制系统组成,保安系统示意 图,如图10-26所示。保安系统图形符号,如图10-27所示。


一、防盗探测系统
1. 玻璃破碎探测器
玻璃破碎探测器黏贴在玻璃内侧,有导电簧片式、压电检测式多种,不同产品的探测范围 不同,安装方式也有所不同。在老式防盗器中还有使用导电簧片式玻璃破碎探测器,结构与安 装方式,如图10-28所示。

2. 红外线探测器
红外线探测器分为主动式和被动式两种。主动式红外线探测器由收、发两部分装置组成, 发射装置向儿米甚至几百米远的接收装置辐射一束红外线,当有目标遮挡时,接收装置接收不 到特定的红外线信号,这样就发出报警信号。在建筑物内可以用多台主动式红外线探测器组 成一个探测网,主动式红外线探测器,如图10 - 29所示。

被动式红外线探测器是依靠接收物体发出的红外线来进行报警的,其由红外线探头和报 警器组成。被动式红外线探测器有一定的探测角度,探测角度可以进行自动调整。被动式红 外线探测器安装示惫图,如图10 -30所示。

3. 超声波探测器
超声波探测器发出25kHz - 40kHz的超声波被超声波接收机接收,并与发射波相比较,当室内没有物体移动时,发射波与反射波的频率相同,室内有物体移动时,反射波会产生± 100Hz的多普勒频移,接收机检测后会发出报警信号,如图10-31所示。

4. 周界报警器
利用物体对空间电磁场的影响,探测是否有物体进入被探测区域。常见的有泄漏电缆式 报警器,如图10-32所示;平
行电线式报替器,如图10-33所示。
二、用户端报警系统
单体住宅的用户安装了各种报警探测器后,需要和公(保)安值班系统连接才能起到真正 报警作用。用户端报瞥系统框图,如图10-34所示;安装示意图,如图10-35所示。

三、出入口控制系统
出入口控制系统适用于一般住宅办公楼、车场等需要有出人口控制的场所。出人口控制 系统由身份识别系统和门禁操作机构组成。出入口控制系统是保安系统的一个组成部分。
1.身份识别系统
身份识别可能使用各种方法,常用识别方法见表10 -2。

表10 -2中的识别方法适用于出人口自动控制系统,对于楼区和公寓有保安值守的地方, 常使用访客对讲系统,访客对讲系统分为普通对讲系统和加摄像设备的可视对讲系统,如图 10-36所示。

2.门禁操作机构
(1) 普通房门一般使用电磁门锁,自动出人口控制系统的电磁门锁安全自动控制,通过识别 后,门自动打开,人口可以出人。住宅使用的电磁门锁,主人在门外可以用钥匙打开,门内可以用 手打开,与普通门锁相同,有人来访时,通过对讲系统识别后,由室内人员按操作按钮打开门锁, 门锁延时一定时间后会自动关闭。其结构是在门锁上加了一套电磁线圈,靠电磁力打开门锁。
(2) 特殊出人口如车库、卷帘门、停车场出人口,需要专门的启闭机构执行人口的控制,如 图10-37为一停车库自动管理系统示意图。

四、停车场自动控制系统
1.系统概述
停车场人口处有一个门,在车辆进人和离开时能自动打开,一个显示部件显示当前停车场 内车辆的数目及状态。当进人停车场内的车辆数目达到最大值时,门会自动关闭,并让寻找进 人停车场人口的车辆了解泊位状态。有一个逻辑电路用来区分汽车与人和自行车,使人和自 行车的数量不计人车辆数目内。
图10-38为汽车自动停泊系统框图。整个系统由红外线发射器、接收器、多路转换器、加 法计数器、减法计数器和显示部件组成。

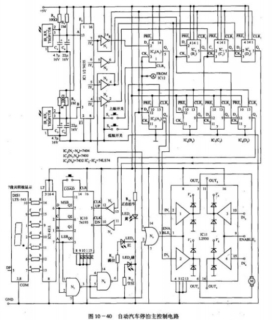
发射器部分包括两个红外线发射器(IR,、TX,和IR2、TX2),如图10-39所示。它们发射 的红外光线照射到人口对面的红外线接收器(IR3、RX,和IR4、RX4)±,如图10-40所示。在 光线未被遮挡时,接收器产生0V的输出,如果光线被遮挡住,则产生+5V输出。

汽车进人停车场时会按照正确的顺序遮挡两条红外光线。遮挡顺序由一个顺序检测器检 出。如果顺序正确,检测器输出高电平,使加法计数器加1。同样,当有汽车离开时,会形成相 反的顺序,并激活一个控制减法计数器的顺序检测电路,使计数器减1。加、减计数器的输出 都送到显示部分。显示部分包括计数器和一个7段码显示器及其驱动芯片,可以显示停车场 内汽车数目,并根据顺序检测器的输出产生加、减触发信号。显示部分还有几个状态显示信 号。包括:
(1) 黄色信号灯:表示正有车辆进人或离开停车场。
(2) 绿色信号灯:表示停车场内车辆还未达到最大容量,还有泊位。
(3) 红色信号灯:表示停车场已满,此信号灯亮时,绿色信号灯同时熄灭,而且停车场入口的门关闭。
2.控制电路分析
自动汽车停泊控制电路如图10-39和图10 -40所示使用了 NE555定时器IC.74LS74D 触发器,74155 2/4译码器,二进制加/减计数器74193,7段码显示驱动器CD4511,小型电机驱 动电路1293D,与非门集成电路7400和非门7404。此外电路还使用了两个NSOP1738红外接 收模块,2个红外线发射用LED管,7段码显示器,以及红、绿、黄色的发光二极管各1个和3 个微动开关。 -
为便于了解电路功能,将电路分为如下4个部分。
1)传感器部分
'这部分的功能是感受物体的运动,并且传送信号到主电路上。传感器部分可以进一步划 分为发射器和接收器两部分。在接收器设计中使用的主要部件是TSOP1736红外线接收模 块。这是一种高分辨力的红外接收器,在一个单独包装的外壳内包括有光电接收器和带有红 外线滤波器的预放大电路,可以将信号解调后输出。它对于用1kHz信号调制的38kHz脉冲 有效。
为产生被1 kHz方波调制的频率接近于38kHz的载波信号,我们在发射器中使用了两个 非稳态方式的NE555定时器1C。其中一个(IC12)用于产生占空比为50%的lkHz方波,而另 一个NE555(IC„)用于产生占空比为50%的38kHz方波。为调制38kHz的波,第一个NE555的输出脚3接到第二个NE555的复位脚4上。这一级连结构的最后输出通过限流电阻R5接 到一对红外发光二极管上。限流电阻是为防止发光二极管过热。

接收部件如图10-40所示,由两个相同的接收电路组成,每个使用一个TSOP1738红外 接收器,这种接收器的输出为集电极开路型,因此需要外接阻值大于lOkfl的上拉电阻。在电 源与地线之间必须接上一个4. 7^F的电解电容,以便减少接收到的杂散信号的干扰。
信号正常接收时,接收器的输出端会产生1kHz的方波,当没有信号时,输出为+5V直流 电平。由于后面连接的集成电路是1TL型的,所以接收器的输出应是TTL兼容的。由于接收器精度极高,所以在接收信号强度比较低时,+5V电平偶尔也会下降到0V。这可能导致误触 发,因此必须加以限制。为此,在接收器输出端和地之间接一个22^F的电解电容。此电容作 用是旁路方波信号,并且保持信号的直流电平在正常状态下为0V,当信号中断时为+5V。也 可以用其他近似容量的电容代替此电容。传感器部分的输出送到顺序检测部分。
2) 顺序检测部分 *
这一部分是整个系统的核心,由用于顺序检测的2/4译码器和几个触发器组成。74155 双2/4译码器用(作为译码器的)信号选择端的管脚13 (A)和3 (B)分别从RX,和RX2接收输 入信号,被选择端选中的输出端有效。此芯片中的另一个译码器未使用。一般情况下,人口前 面的那一个接收器的输出接13脚。无车辆入、出时,两个接收器均激活,输出0到译码器,使 译码器输出为低电平。当第一个传感器的光线被车辆遮断时,Y,线变低电平,接着Y2线变低 电平,表示只有第一个传感器被遮住;而Y3线变为低电平则表示两个传感器的信号都被切 断了。 .
顺序检测电路由3个触发器组成,判断车辆是进人还是离开停车场。译码器的Y。线接到 各触发器的淸除脚,使个触发器的输出全为0。当车辆进人停车场时,首先会遮住第一个传感 器(人口前的),然后遮住两个传感器,最后仅遮住第二个传感器(人口后的),这样就必然顺序 产生状态:10、11、01。这一顺序很重要。
为了识别这些状态的出现及其顺序,我们将W'线求反后分别接到3个顺序连接 的触发器的时钟端上;VCD作为第一个触发器的输人,其余的触发器的输人依次是前一个触 发器的输出。3个译码器输出信号求反是因为它们是低电平有效的,而74LS74D.触发器则要 在时钟信号的上升沿触发。
只有正常顺序的逻辑状态才会引起第3个触发器的输出变为逻辑U任何其他顺序都不 会允许高电平信号经过3个串联的触发器。第3个触发器的输出接到计数器和显示部分以增 加计数值,这样,当有车辆进人停车厂时,信号先清除全部触发器,然后又立刻使计数器 加1。
一个同样的电路用于检测车辆离开停车场,但这时车辆产生的状态顺序为01、11、10,顺 序十分重要。因此,这时3个顺序连接的触发器的时钟信号分别是由Y,、Y3*Y2驱动的。这 一电路的工作过程与检测车辆进人停车场的电路相同。但最后的D触发器的输出要接到一 个减计数器和显示部件,以减少计数值。同样,计数值减少在触发器的输出被Y0信号清除后 立即发生(参见计数和显示部分)。
3) 计数和显示部分
这一部件包括加/减计数器集成电路74193, BCD码到7段码的译码和显示驱动集成电路 4511(用于共阴极7段码显示器)及3个发光二极管(红、黄、绿〉。
在配置不变的情况下,集成电路74193既可以控制进行加法计数,也可以进行减法计数。 当一个脉冲的上跳沿加在加法控制脚(第5脚)时,计数器加1。而当一个脉冲的上跳沿加在 减法控制脚(第4脚)时,计数器减1。在本电路中,前者出现在车辆进人停车场时,Ye线清除 最后的D触发器的输出,引起由高到低的逻辑状态变化。在经过一个反门,提供一个脉冲上 升沿,计数器加1。而当车辆离开停车场时,这些触发器间样会使计数器减1。计数器芯片的 数据预置脚接VCD,而数据装人控制脚接到一个开关上,而其他的管脚全部接地,这种装置能 够顺序地将计数器和电路中所有的驱动器、显示器复位。加、减计数器(74193)的4个BCD码 输出端接在译码/驱动器4511的相应管脚上。译码器的高电平有效的输出端接在共阴极7段 码显示器的对应管脚上。译码器的髙电平有效的输出端接在共阴极7段码显示器的对应管脚 上。计数器(IC1d)输出的最高有效位MSB和最低位LSB通过门N7和N,相“与”。N,门的输 出送到红色LED的阳极,使之点亮,表示停车场已有9辆车(无泊位)。同一信号求反后送到 绿色LED的阳极,使之点亮,表示此时停车场内至少还有1个泊位。黄色LED表示有一辆车 正在进人或离开停车场,在至少有一个传感器被遮住时,黄灯必须是亮的。译码器的Ye线接 在黄色LED的阳极,当没有光线被遮住时,此线为低电平,保持黄灯关闭。一旦任一条光线被 遮蔽,Y。电平变高,接通黄色LED。
4) 门控部分
门控部分由IC5、IC4和组成,用来提供控制门挡板动作的逻辑信号。假定门挡板较低 时为初始位置,一旦向电机驱动电路ICn输入10,就会引起电动机转动,进而使挡板移动,打开 入口。同样,当向电动机驱动电路输人01时,使电动机反向转动,降低挡板,关闭人口。当向 电动机驱动电路输人“00” 时,电动机不会转动。
当汽车已经完全进人停车场时,L293D(IC„)的输人变为“01”,会引起电动机转动,使门 开始关闭,当门碰到位于较低位置上的开关(S2)时,停止运动。这样门的运动由汽车的到达 和离开自动控制。为了在停车场内汽车数量达到9辆时,禁止打开门使新的车辆进人,我们使 用了一个由与非门和或门组成的简单的组合逻辑电路,其输出加在电动机驱动集成电路 (IC„)的使能端的第1脚上。正常状态下,逻辑电路的输出为高电平,IC„有效。当计数器达 到最大值9时,此逻辑电路的输出变为低,使IC„无效,阻止电动机转动,使停车场的门对于所 有寻找人口的车辆保持关闭。而当有车辆希望离开停车场时,1C,,应该变为有效,电动机得以 启动,从而打开此门。
此电路适用于地下停车场、公司内部停车场等场合,改进后也可以用于收费停车场。停车 数也可以稍加修改以适应不同的停车空间。
5) 注意事项
(1) 要有备用电池,以便了解准确的车辆停放数B。
(2) 接收器和发射器正确地安装定位十分重要。
(3) 发射器的两条光线之间的距离要小于可停放的最长车辆的长度。